Описание
Характеристики
Отзывы
Описание
Оборудование уличное представляет собой устойчивую конструкцию, обеспечивающую безопасные условия для развивающих занятий на открытом воздухе.Конструкция обладает высокой ударопрочностью и виброустойчивостью. Во избежание травм и застревания одежды и частей тела, изделие разработано и изготовлено в соответствии с требованиями ГОСТ Р 52169-2012.
Характеристики
Высота, (мм)
h=3348
Гарантия
1
Материал
фанера
Высота падения, мм
1839, Горка 1250
Возрастная группа, лет
4-12
Серия
сфера
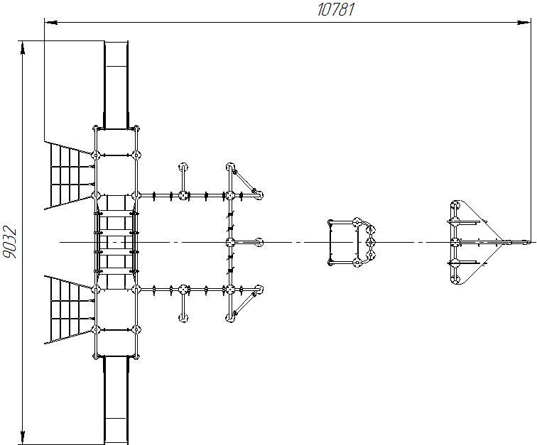
Габаритные размеры, мм
a=9032, b=10781
Зона безопасности, мм
13781х13032
Отзывы
Отзывов еще никто не оставлял
